Autor Tópico: Fecho das portas fecha e destranca aleatoriamente  (Lida 15904 vezes)

Offline mingos

  • Initiale Paris
  • 1.5 DCi
  • *
  • Localidade: Viseu
  • Mensagens: 538
  • Pata na lata
    • Leads Inside
  • Garagem : Renaul Espace IV 1.9DCI
Re: Fecho das portas fecha e destranca aleatoriamente
« Responder #15 em: 06 de Dezembro de 2016, 18:31 pm »
Isso já é trabalho para o qual não tenho competência. Posso verificar visualmente e pouco mais.

Sim, as portas abrem aleatoriamente. Mas por norma a do condutor nunca abre.

Se por exemplo tirar a ficha da porta de trás, aí só com 3 portas "ligadas", raramente se dá este problema. Embora a porta do condutor mesmo assim, meia volta continue a não abrir, mas acontece menos vezes.

Fechar, fecham sempre todas bem.

Nunca aqui ninguém teve este problema?


Offline Sls a GPL

  • Moderadores
  • 1.6 V6 Turbo Energy F1
  • *
  • Utilizador: sls
  • Mensagens: 14602
  • Garagem : Renault Clio II 1.2 16v, Renault Scenic RX4 2.0 16V
Re: Fecho das portas fecha e destranca aleatoriamente
« Responder #16 em: 06 de Dezembro de 2016, 19:00 pm »
Mas mingos, já verificaste se chega corrente aos motores?? e qual a voltagem que chega? se chega sempre corrente, ou umas vezes chega e outras não?

Se tiveres as portas abertas, a carrinha tranca e destranca bem as portas todas?

Vou ver se desencanto o esquema desse carro para ver se há algum ponto onde possa existir algum mau contacto.

Offline Sls a GPL

  • Moderadores
  • 1.6 V6 Turbo Energy F1
  • *
  • Utilizador: sls
  • Mensagens: 14602
  • Garagem : Renault Clio II 1.2 16v, Renault Scenic RX4 2.0 16V
Re: Fecho das portas fecha e destranca aleatoriamente
« Responder #17 em: 06 de Dezembro de 2016, 20:55 pm »


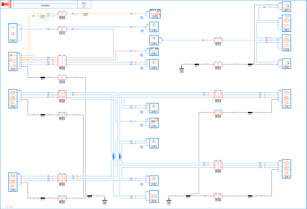
Tens aqui o esquema, para perceberes as voltas que isso dá.
Há um fio que é comum às portas todas, essa ligação costuma ser uma "especie de soldadura" dos fios, vê lá se os fios nesse sitio estão bem ligados. o sitio ao certo onde é feita essa junção é que não sei.
Tens que seguir os fios das varias portas a ver onde é que se juntam.
As portas são os 138,139,140,141, depois o portão traseiro é 1322 e 821. O 645 é a uch, que se encontra por baixo do tablier, atrás do ventilador junto à porta e ao volante, pela imagem não me parece que consigas chegar a ela, sem retirar a parte de cima do tablier. assim que puder coloco a foto.

P.S.há um outro esquema possível, mas só consigo pô-lo mais logo ou então amanha.
« Última modificação: 06 de Dezembro de 2016, 21:02 pm por Tony da Buzina »

Offline mingos

  • Initiale Paris
  • 1.5 DCi
  • *
  • Localidade: Viseu
  • Mensagens: 538
  • Pata na lata
    • Leads Inside
  • Garagem : Renaul Espace IV 1.9DCI
Re: Fecho das portas fecha e destranca aleatoriamente
« Responder #18 em: 07 de Dezembro de 2016, 00:30 am »
obrigado pela ajuda Tony, vou estudar o diagrama, pode ser que daí saia alguma coisa.

Cá para mim, isto só lá vai desmontando esta porcaria toda e passando um fim-de-semana a verificar cabos, ligações...

Chega voltagem ao motor, pelo menos quase sempre, suspeito é que não chegue voltagem suficiente (algum cabo danificado, ou mau contacto) pois se chegasse o motor abria (é um motor novo).

Offline mingos

  • Initiale Paris
  • 1.5 DCi
  • *
  • Localidade: Viseu
  • Mensagens: 538
  • Pata na lata
    • Leads Inside
  • Garagem : Renaul Espace IV 1.9DCI
Re: Fecho das portas fecha e destranca aleatoriamente
« Responder #19 em: 07 de Dezembro de 2016, 01:22 am »
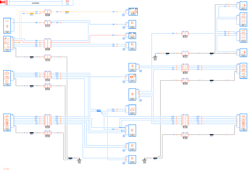
Onde se lê "quase sempre" deve ler-se "suponho que sempre" testei com o multímetro a continuidade e a voltagem e aparecia 12v quando testei, mas podem não chegar sempre, não sei.

Desse esquema acho que começo a perceber qualquer coisa.

Poderá haver problemas na "massa" das duas portas da esquerda? É que quando uma não abre, a outra muitas vezes também não (a de trás).

Outra coisa, o tal ponto onde se "soldam" todos os fios parece ser o que assinalo na figura.

Estou lixado com f grande!!!


« Última modificação: 07 de Dezembro de 2016, 07:42 am por Tony da Buzina »

Offline Sls a GPL

  • Moderadores
  • 1.6 V6 Turbo Energy F1
  • *
  • Utilizador: sls
  • Mensagens: 14602
  • Garagem : Renault Clio II 1.2 16v, Renault Scenic RX4 2.0 16V
Re: Fecho das portas fecha e destranca aleatoriamente
« Responder #20 em: 07 de Dezembro de 2016, 07:51 am »
Sim, está correcto, todas as junções de fios, são representadas com o traço mais groço e um numero de id, tal como sinalizaste como solda.
Nos da massa há varias junções por exemplo.

Mais logo já coloco o outro esquema que é ligeiramente diferente deste, o motivo das diferenças tem a ver com a frequência do comando, ou seja com ou sem kit mãos livres, julgo eu.

Outra coisa, a uch é só uma apesar de no esquema estar salteada em vários sítios, por isso, terás cablagem que vem da uch até cada porta.

Offline Farfalho

  • Initiale Paris
  • 1.6 DCi Bi-Turbo
  • *
  • Mensagens: 2517
  • Garagem : Renault 19 1.4e RTI
Re: Fecho das portas fecha e destranca aleatoriamente
« Responder #21 em: 07 de Dezembro de 2016, 09:26 am »
Está aqui uma situação digna de perder cabelos porém o mesmo tempo interessante pelo seu desenrolar. É desafiante, pelo lado positivo.

Offline jotaagá

  • 1.5 DCi
  • *
  • Localidade: quinta do conde
  • Mensagens: 370
  • Captur dci110
Re: Fecho das portas fecha e destranca aleatoriamente
« Responder #22 em: 07 de Dezembro de 2016, 11:52 am »
@Mingos
Boas Mingos

Vou falar unicamente no que escreveste no teu antepenúltimo post e baseado na experiência em eletrónica e mesmo assim não "é nariz de santo" que seja isso.

Escreveste: Se por exemplo tirar a ficha da porta de trás, aí só com 3 portas "ligadas", raramente se dá este problema. Embora a porta do condutor mesmo assim, meia volta continue a não abrir, mas acontece menos vezes.

Normalmente estas situações  e supondo que o circuito de arranque às pistolas é comum pelo menos 2 a 2 (mas aqui tens o esquema que o colega Tony da Buzina te enviou e é uma grande ajuda), vai dar a condensadores pois o circuito terá condensadores de arranque, apesar de serem circuitos de baixa tensão e baixa corrente mas é necessário o arranque para dar o impulso à pistola, normalmente condensadores de baixa capacidade até 10microfarads que estarão nas linhas de saída; havendo possibilidade trocar todos por novos só tem de bom, não serão muitos e o valor monetário é baixo.

Atenção que podes ter a tensão mas a corrente ser insuficiente e isso ainda gasta alguma corrente.

Eu, olhando para o esquema (julgo que o colega Tony da Buzina poderá dizer a sua opinião) apostaria em seguir a ficha 645, parece-me (BA e GR) serem os módulos amplificadores de corrente às pistolas, tem o símbolo de transístor que normalmente é associado a amplificador de corrente e também me parece trabalharem 2 a 2 pois olhando para "os modulos" BA e GR saem 2 fios a uma porta/motor e 1 fio à outra porta/motor.

Isso é um modulo que dê para fotografar aberto (c'as tripas à mostra) e identificar esta ficha 645 e os "modulos" BA e GR?

Bem! Isso está-te a dar trabalho mas pelo menos estás a andar para a frente ou seja em direção à solução, ainda que a solução se venha a revelar ter de ser em "outsourcing".

Cumprimentos e espero que te safes.

Offline Sls a GPL

  • Moderadores
  • 1.6 V6 Turbo Energy F1
  • *
  • Utilizador: sls
  • Mensagens: 14602
  • Garagem : Renault Clio II 1.2 16v, Renault Scenic RX4 2.0 16V
Re: Fecho das portas fecha e destranca aleatoriamente
« Responder #23 em: 07 de Dezembro de 2016, 12:22 pm »


O 645 é a uch e o BA, GR, etc representa as cores das fichas, ou seja a uch tem 4 ou 5 fichas todas com cores diferentes.
O mesmo se aplica aos outros componentes que podem ter mais que uma ficha.

Neste caso, parece-me que a ficha de cada fechadura, alem do motor de trancar destrancar, tem também a informação de porta aberta, e por isso mais ligações À uch.

Com estes esquemas já ajuda a perceber quais são as ligações e as fichas da uch que deves verificar se tem maus contactos.
Os R?? são as representações das fichas de ligação entre secções de cablagem.
O 645 com indicação F22 quer dizer que é uma ligação protegida por fusível, fusível nº22 da caixa de fusíveis e de 30A, o outro julgo que alem da informação do fusivel contem também a identificação do relé.

O 123 é o botão de trancar/destrancar

As ligações À massa das fechaduras é para os sensores de porta aberta. Os motores das fechaduras como invertem a polaridade, são controlados pela uch.

A mim parece-me que tens perdas no circuito, talvez derivado a maus contactos nas diversas fichas.
Sabendo qual a posição dos fios referentes ao motor em cada ficha, verifica se estão a fazer bom contacto.
« Última modificação: 07 de Dezembro de 2016, 12:27 pm por Tony da Buzina »

Offline mingos

  • Initiale Paris
  • 1.5 DCi
  • *
  • Localidade: Viseu
  • Mensagens: 538
  • Pata na lata
    • Leads Inside
  • Garagem : Renaul Espace IV 1.9DCI
Re: Fecho das portas fecha e destranca aleatoriamente
« Responder #24 em: 07 de Dezembro de 2016, 15:55 pm »
Obrigado pela ajuda pessoal.

Isto está aqui um berbicacho...

Offline mingos

  • Initiale Paris
  • 1.5 DCi
  • *
  • Localidade: Viseu
  • Mensagens: 538
  • Pata na lata
    • Leads Inside
  • Garagem : Renaul Espace IV 1.9DCI
Re: Fecho das portas fecha e destranca aleatoriamente
« Responder #25 em: 27 de Dezembro de 2016, 06:19 am »
Mais dois electricistas visitados e o problema subsiste.

Um queria substituir os fechos todos, sem garantia de que isso resolvesse, dizia "só para ver se o problema se mantém". Orçamento 1200€, coisa pouca...

O outro queria substituir a UCH e a ECU e reprogramar tudo. "Deve ser esse o problema" dizia... 2000€ de orçamento.

Escusado será dizer que por palpites não!

Se houvesse alguma certeza do problema, dependendo do valor, avançava com a reparação, doutro modo vai andar assim que eu não nado em notas de 50€!

Offline mingos

  • Initiale Paris
  • 1.5 DCi
  • *
  • Localidade: Viseu
  • Mensagens: 538
  • Pata na lata
    • Leads Inside
  • Garagem : Renaul Espace IV 1.9DCI
Re: Fecho das portas fecha e destranca aleatoriamente
« Responder #26 em: 11 de Janeiro de 2017, 19:20 pm »
Bom, um certo progresso... acho eu.

Depois de limpar tudo com WD40 e desligar todas as fichas, a UCH parece que fez um reset e as portas funcionaram bem durante uns dias. Hoje tudo voltou ao mesmo depois de ter deixado que a carrinha se trancasse sozinha. A partir daí foi o caos absoluto. Umas portas abrem, outras não. O pior é que a porta do condutor nisto, quase nunca abre. O costume.

Portanto começo a achar que se trata do "cérebro" da bicha que se baralha sempre que este modo de trancar entra em acção. Vou testar fazer de novo reset à UCH desligando o fusível junto da consola central. Se as portas destrancarem de novo sem problema, pode ser o tal sistema de "auto-tranca" que está a baralhar isto tudo.

Offline mingos

  • Initiale Paris
  • 1.5 DCi
  • *
  • Localidade: Viseu
  • Mensagens: 538
  • Pata na lata
    • Leads Inside
  • Garagem : Renaul Espace IV 1.9DCI
Re: Fecho das portas fecha e destranca aleatoriamente
« Responder #27 em: 17 de Janeiro de 2017, 12:33 pm »
E de volta ao problema inicial. Andou uns dias porreira mas o problema persiste, com a agravante de agora só abrir a porta do passageiro da frente. Isto é de loucos.

Lá voltei ao "esquema" de retirar a ficha de uma porta (mantendo-a sempre trancada) e assim apenas abrem e trancam 3. Isto é desgastante.

Começo a achar que não chega voltagem suficiente para destrancar as portas todas. Assim, um dia destes vou fazer uma espécie de "bypass" e passar voltagem da porta da frente direita, para a respectiva de trás. Se a do passageito abre sempre, se calhar é uma forma de solucionar isto.

A verdade é que isto me está a torrar a paciência.

Offline Sls a GPL

  • Moderadores
  • 1.6 V6 Turbo Energy F1
  • *
  • Utilizador: sls
  • Mensagens: 14602
  • Garagem : Renault Clio II 1.2 16v, Renault Scenic RX4 2.0 16V
Re: Fecho das portas fecha e destranca aleatoriamente
« Responder #28 em: 17 de Janeiro de 2017, 13:14 pm »
Pode haver perdas no circuito. Experimenta fazer uma cablagem para testes desde a uch e as portas a ver se com a cablagem de teste funciona bem.
Se funcionar, refaz a cablagem de forma definitiva, anulando a original.

Offline mingos

  • Initiale Paris
  • 1.5 DCi
  • *
  • Localidade: Viseu
  • Mensagens: 538
  • Pata na lata
    • Leads Inside
  • Garagem : Renaul Espace IV 1.9DCI
Re: Fecho das portas fecha e destranca aleatoriamente
« Responder #29 em: 17 de Janeiro de 2017, 20:17 pm »
Eu sinceramente já me estou a passar com isto.

Nem digo mais nada, que se me salta a tampa...